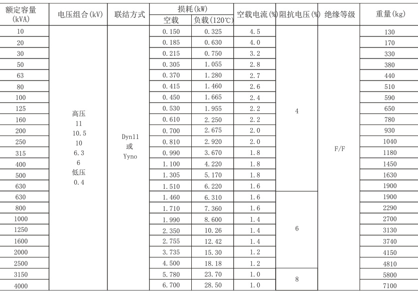
SC(B)9系列樹脂絕緣幹式變壓器(qì) 類别:變壓器(qì) SC(B)9系列 樹脂絕緣幹式變壓器(qì) 打印當前頁 将此頁放(fàng)入收藏夾 發郵件(jiàn)給我們:RB178@163.com 咨詢電(diàn)話(huà):021-68110099 QQ咨詢 詳細信息 型号及含義 10kV級SC(B)9系列樹脂絕緣幹式變壓器(qì)技(jì)術參數 外(wài)形尺寸及安裝尺寸 上(shàng)一條:S9、D9系列油浸式配電(diàn)變壓器(qì) 返回列表 下(xià)一條:SG(B)10系列環保型幹式變壓器(qì) 産品推薦 S(B)H15-M系列非… SG(B)10系列環保型… SC(B)9系列樹脂絕緣… S9、D9系列油浸式配電(diàn)…